AOI专用光源NRIA系列

  • 产品详情
  • 产品参数

AOI专用光源 NRIA 系列

AOI专用、多用于形状类缺陷检测

NRIA系列 采用RGB三种颜色LED与多角度设计。多色多角度照射,能准确反映物体表面坡度信息,AOI专用、多用于焊锡检测。

图片


核心优势

不同角度的三色光照明,照射凸显物体的三维信息,外加漫射导光板,使光路更均匀,而且还会减少强反光。不同角度,不同颜色组合。


光路图

图片

应用领域

◆   专用电路板焊锡检测

◆   旋转体形状缺陷检测

◆   多层次物体检测


型号代码说明

图片


参数表

图片


应用案例

图片


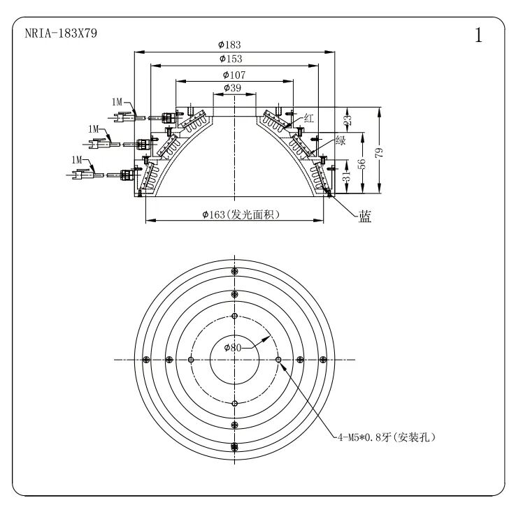
尺寸图(mm)

图片


产品型号
NRIA