紫外光源UVseries
使用高输出UV-LED的UV光源

应用例 通过激发荧光进行密封材料的有无检测/隐形代码的读取/利用光谱反射率的差异进行的各种检测/利用 散射率的差异进行
采用独创的紫外LED
采用本公司独创的防火花结构的LED

发光峰值波长为365nm、385nm、指向特性为±20°

应用例 通过激发荧光进行密封材料的有无检测/隐形代码的读取/利用光谱反射率的差异进行的各种检测/利用散射率的差异进行的各种检测等
使用高输出UV-LED
通过使用高输出VU-LED,与传统产品相比,大幅度地提高了输出。
与传统产品的成像比较
传统产品

小范围照射的窄型
提供可实现大范围照射得宽型和小范围照射得窄型,可根据用途进行选择。

UV光源的各用途输出比较示意图

高输出UV光源与不可见光的输出比较

特殊定制例

构成例

成像实例:通过磁粉探伤检测得到的成像

成像实例:轴承的润滑脂涂抹状态的成像

成像实例:铝罐的印字成像

成像实例:包装薄膜的胶带成像

成像实例:包装盒内的隐形眼镜有无成像

应用例 通过激发荧光进行密封材料的有无检测/隐形代码的读取/利用光谱反射率的差异进行的各种检测
可集光照射得窄型
通过使用柱状透镜集中照射狭窄的范围。辐射输出损耗较小,可进行集光照射。

可扩散照射的宽型
照射宽度较大,可进行广范围的照射。


特殊定制例

构成例

型号代码说明

参数表

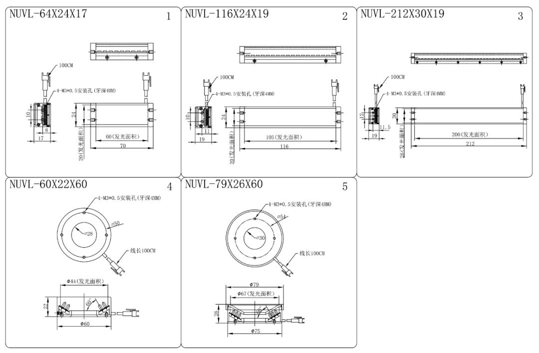
尺寸图(mm)
