大口径远心镜头

  • 产品详情
  • 产品参数

大口径远心镜头

产品特点

低倍率大视野物方远心设计。

配有可调节光阑,为景深与分辨率的平衡使用提供了便利。

高清晰、低畸变、高远心度。

适合高精度的检测与定位应用。

图片


型号代码说明

图片

参数表

图片


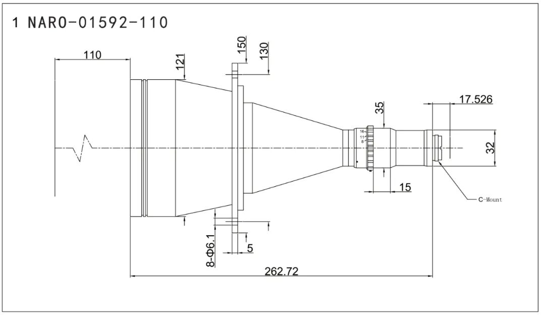
尺寸图(mm)

图片